雖然機械按鍵(輕觸鍵)控制技術很成熟,且電路結構簡單、成本低廉,已在很多電子產品中廣泛應用,但由于機械按鍵本身具有易磨損,并受溫度、濕度影響較大,所以故障率一直較高。另外,采 用機械式按鍵控制電路的電磁爐,需要在面板按鍵的相應位置開孔,然后粘貼一張薄膜進行覆蓋,如圖1所示。

圖1
機械式按鍵使用時間一長,薄膜會破裂、變形或者脫膠,薄膜就容易與面板粘貼處開裂,如圖2所示。電磁爐在使用過程中,面板難免會沾上一些水分、油漬,這些水分、油漬就會從開裂處滲人到內部 ,輕則引發多種故障,嚴重時將燒毀元器件。

圖2
新一代電容觸摸感應式控制技術完全能夠彌補機械式按鍵的缺點,具有耐磨損、防水保護及不受溫度、濕度影響,且造價低廉等優點,成為新一代電器產品控制電路的新寵。電容觸摸感應式控制技術 已廣泛地應用于手機、影碟機、電磁爐、抽油煙機、洗衣機,微波爐、電子秤、MP3、MP4、數碼相框、多媒體音箱、液晶電視、液晶顯示器等產品中。由于該類控制沒有傳統的機械按鍵,不需要在面板 上開孔,面板可以采用一塊整體的玻璃、陶瓷或塑料等材質,既方便清潔,還美觀大方。另外,將觸摸技術應用在電磁爐產品中,同時也消除了從面板上滲水的故障隱患。
一、電容觸摸感應式控制技術的基本原理
所謂電容觸摸感應式控制技術,其核心就是利用張弛振蕩器產生數百千赫茲的正弦波,然后將這個正弦波信號加在各個彈簧導電盤上,當用戶的手指接觸到導電盤的時候(即使有面板隔開,但對于高 頻信號而言,玻璃、陶瓷、塑料等材質面板仍相當于導體),相當于給彈簧導電盤對地接了一只電容,利用電容通交隔直的特性,高頻信號通過電容分壓,彈簧盤上的信號電平將降低。
這個降低的信號電壓施加在閾值檢測器上(或者被送到比較器內部電路進行處理,使相應輸出端輸出電平翻轉),即可以產生觸摸/無觸摸的信號。
市場上常見的采用電容觸摸感應式控制技術的電磁爐,按控制接口類型分類主要有二種:
第一種是將張弛振蕩器產生的數百千赫茲的正弦波加到各個功能鍵彈簧導電盤上。并將
各個功能鍵與比較器的輸人端分別相連,通過比較器內部電路進行比較,在輸出端實現高低電平的變化,并且一個按鍵對應一個I/O口,每個I/O口分別用高或低兩種不同的電平來表示按鍵的開或關。這 種方式的優點是:不需改動以往主系統的軟硬件,只需單獨做一塊鍵盤小板就可以實現觸摸按鍵功能,很適用于老產品改造,因此這種方式在較早電磁爐上較常見,其工作原理示意如圖3所示。

圖3 工作原理示意圖
第二種方式是鍵盤輸人接口與第一種一樣,不同的是輸出采用SPI、IIC、UART或是采取有限的幾根I/O口來輸出編碼數據,這種方式的優點是所需的I/O口少,輸出一般只需要2~3個I/O口即可實現數據 傳輸。這種控制方式的工作示意圖如圖4所示,但在電磁爐中比較少見。

圖4 控制方式的工作示意圖
第三種方式是采用高度整合之后的觸摸感應產品方案。該方案需采用專用的CPU芯片,直接將觸摸鍵產生的電壓變化送往CPU內部電路,經內部電路處理后去控制電磁爐主板的工作狀態,其工作示意圖 如圖5所示。這種方案能極大地簡化電路結構,降低產品成本。

圖5 采用高度整合之后的觸摸感應產品方案工作示意圖
二、幾種電磁爐觸摸控制電路介紹
由于電磁爐觸摸控制技術采用的接口方式不同,所以其電路有很大的區別,下面對三款常見的控制電路進行介紹:
1.采用CD4069組成的觸摸控制電路
該控制電路簡圖如圖6所示,其原理如下:四比較器CD4069與①腳外圍的R1、R2和C1組成一個500kHz左右的方波發生器,從CD4069⑧腳輸出,經C2耦合到由R3、R4、C3、D2及D3組成的檢測電路中,然后 通過R5送往CD4051⑤腳的內部電路。CD4051是一塊8選1的譯碼器,其①、②、④、⑤,(12)-(15)腳為電平輸人端,③腳為編碼信號輸出端,輸出的高低電平變化的電壓就是編碼信號,該信號被送到CPU內部電路進行進一步處理。

圖6 采用CD4069組成的觸摸控制電路圖
當用手指觸摸到彈簧電極盤上面的面板時,由于彈簧盤上已經疊加了500kHz的高頻信號,也就相當于在R3、R4的兩端并接了一只電容,電容對于高頻信號而言屬于導體,這樣就使電極上的電壓降低,從而使CD4051的⑤腳電壓降低,CD4051③腳輸出電壓也就隨之改變,變化的電壓在LM393內部和⑤腳電壓進行比較,從雨使輸出端⑦腳電平翻轉,該電壓送入CPU電路,CPU就會通過不同的編碼信號做出相應的控制。
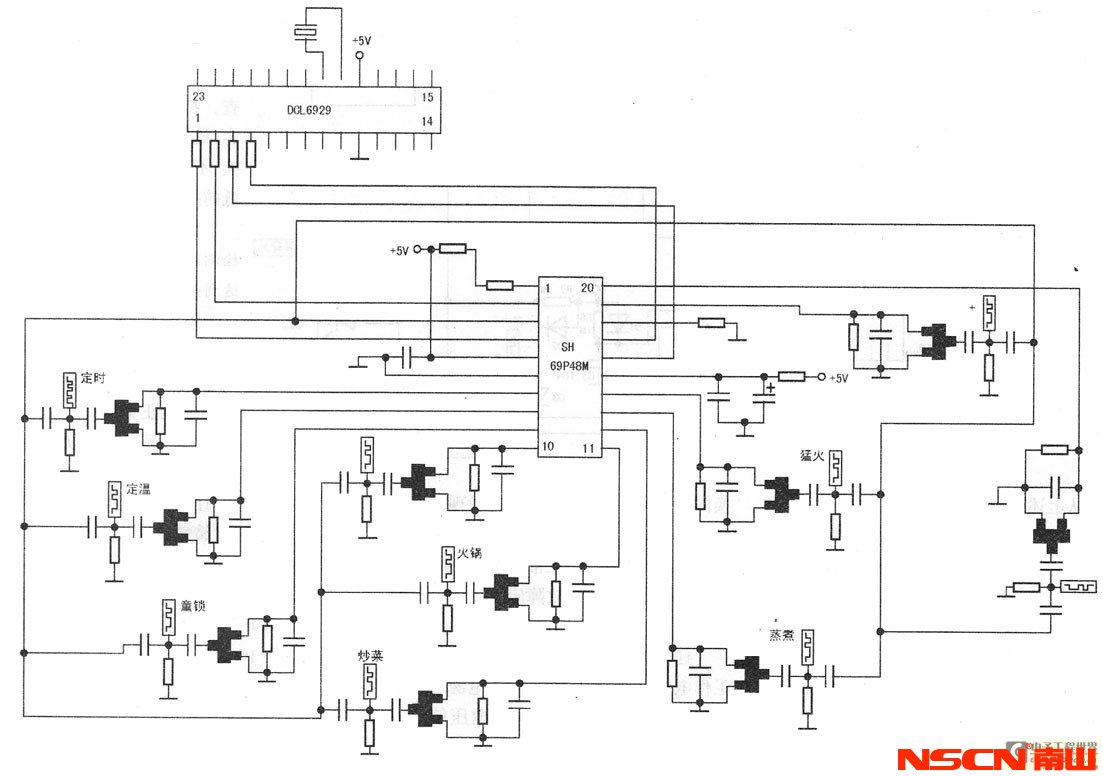
2.由SH69P48M組成的觸摸控制電路
萬利達MC-2051電磁爐采用SH69P48M芯片,配合DCL6929構成觸摸控制電路,其電路如圖7所示(說明:電路板上型號為KJT T3,由于暫時沒有找到該貼片元件的資料,為了保證圖紙的準確性,所以繪成實物圖)。

圖7 由SH69P48M組成的觸摸控制電路圖
其工作原理是:SH69P48M芯片的①、⑤腳內部電路和外fFl RC元件構成頻率為500kHz左右的方波發钅器,產生的方波從③腳輸出,通過各個瓷片電容加到每一個彈簧鍵上,再通過RC及貼片T3等元件組成的檢測電路后,加到SH69P48M的⑦~(14)、(19)、(20)腳。觸摸不同的彈簧鍵時,該彈簧鍵上疊加的500kHz高頻信號的電壓就會降低,則貼片T3的工作狀態翻轉,變化的信號送到SH69P48M內部,由SH69P48M內部電路進行處理,然后通過②、④、(16)、(17)腳與CPU芯片DCL6929的①~④腳進行通信,DCL6929根據通信情況進行控制電磁爐主板的工作狀態,達到控制電磁爐的目的。
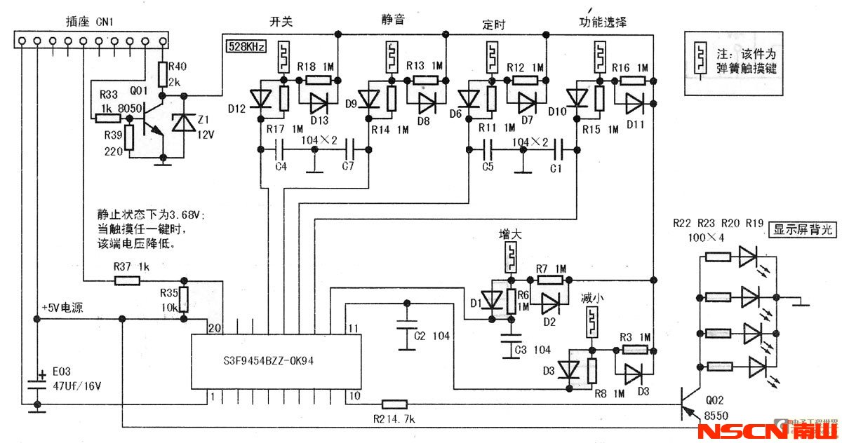
3.由S3F9454B22二0K94構成的觸摸控制電路
GECSM牌SM22-18A3型電磁爐采用電磁爐專用的控制芯片S3F9454B22-0K94,具有語音提示功能,并配有大屏幕顯示屏,使整機外觀豪華大氣,深受用戶的歡迎。該機控制板正、反面實物圖如圖8、9所示,其控制電路原理圖如圖10所示(該機的顯示、語音電路沒有在該圖中繪出)。

圖8 該機控制板正面實物圖

圖9 該機控制板反面實物圖

圖10 控制電路原理圖
該機的觸摸控制原理是:來自電磁爐主板的16.8V電源電壓通過R40加到Q1(8050)的c極,與R39、R38等元件共同組成張弛振蕩器,在c極上得到529kHz的振蕩信號,該信號直接接到由R18、D13、D12、It17以及C4(這是“開/關”觸摸鍵的檢測電路,其他各功能鍵的檢測電路與此相同)等元件構成的檢測電路上,再送到S3F9454B22 -0K94的(16)腳(其他幾個功能鍵的檢測電路,分別與S3F9454B22-0K94的(11)~(15)腳相連)。在靜止狀態時,S3F9454B22-0K94的(11)~(16)腳電壓穩定在4.5V左右,⑩腳穩定在3.68V.當人體觸摸到觸摸鍵彈簧時,相當于在檢測電路與地之間并聯了一只電容,由于電容具有“通高頻、阻低頻”的特性,電容成為導體,則被觸摸鍵的檢測電路⒈的電壓就會下降,這個下降的電壓被S3F9454B22-0K94內部電路處理后,引起(19)腳輸出的電壓降低。實際降低多少電壓與觸摸不同的鍵有關,觸摸不同鍵時,芯片通過內部電路與預定程序進行比較,然后引起(19)腳電壓下降。(19)腳電壓送到電磁爐主板,控制主板的不同工作狀態。
從上述分析可知,觸摸控制電路其實并不神秘,可以簡化成常見的鍵控電路進行分析,如圖11所示,R1~R6幾個電阻串聯,當按下不同的輕觸開關時,不同的電阻串聯后對5V電壓進行分壓,分壓后的電壓被送到CPU內部電路,CPU根據不同的電壓,做出不同的控制指令。只不過這里沒有使用輕觸鍵,而是利用在高頻信號狀態下,電容具有良好的導通性,當人體觸摸時,也就相當于是并接了一只電容,這樣疊加有高頻信號的檢測電路上的電壓必然降低,再通過比較器等電路控制輸出端電平翻轉。

圖11
三、電磁爐觸摸控制電路的檢修
在實際檢修過程中,電磁爐觸摸控制電路最常見的故障就是觸摸時不起作用,或者觸摸靈敏度不夠。
1.檢修步驟
在檢修觸摸控制電路故障時,一般采用4步曲的方法進行處理。
第一步:清洗
電磁爐的使用環境造成了它容易進水或受到油煙的污染,從而使控制板、主板受潮而造成整機不工作,工作紊亂等故障。首先對臟污的電路板進行清洗,這也是電磁爐維修中重要的一步。觀察面板是否臟污,如果臟污嚴重就要用稀釋后的洗滌劑進行清洗,臟污的面板是引發觸摸靈敏度降低的常見原因之一。然后拆開電磁爐,取下觸摸電路板,觀察電路板是否臟污(是否有油漬、水分或蟑螂等雜物,元件引腳是否銹蝕),如果有這些現象,就要用天那水(香蕉水)或無水酒精對電路板進行清洗并烘干。若銅箔或元件引腳有腐蝕開路的情況,要連接銅箔或更
換同規格元件。對于目測沒有發現問題的電路板,可以取下電路板直接用手觸摸彈簧盤進行試驗,看是否能正常控制,如果能控制,就說明電路板正常,故障應為靈敏度不夠。
第二步:測量
任何電器要正常工作,都得要有正常的工作電源電壓,所以首先測量電源電壓是否正常至關重要。若測得電源電壓偏低或偏高,都要先將其維修正常后,才能進行下一步工作。在電源電壓正常的情況下,再測量電路中關鍵點,比如在圖10中,Q1的c極上必須有12V工作電壓,S3F9454B22-0K94的(20)腳必須有5V的工作電壓,否則電路不可能正常工作。然后用數字萬用表的頻率擋測量Q1的c極上是否有500kHz的振蕩信號。若一時不能確定振蕩器的具體部位或元件,可以直接測量各個彈簧鍵上是否有500kHz的信號;如果各個彈簧鍵上都沒有這個信號,同樣可以說明振蕩器沒有工作或工作失常,導致觸摸電路將失效。在500kHz信號正常的情況下,直接觸摸彈簧盤,同時跟蹤測量該觸摸彈簧上的電壓,看是否隨觸摸而降低,然后測量S3F9454B22-0K94的(19)腳電壓是否隨之變化。正常情況下,這幾處電壓都會隨觸摸彈簧而降低。
第三步:代換
首先說明,這里的代換并不是平常維修時所說的用正常元件代換懷疑元件,而是在確定500kHz正常的情況下,將S3F9454B22-0K94的(11)~(16)腳外接的檢測電路整體進行代換試驗,比如用美工刀將(11)腳和(12)腳劃開,然后將(11)腳外接的檢測電路接在(12)腳上,將(12)腳外接的檢測電路接在(11)腳上進行試驗。這樣做的目的是:由于幾個檢測電路的元件參數都是一樣的,只是接在S3F9454B22-0K94上的輸人腳不同而已。值得注意的是,如果開機觸摸鍵的檢測電路失效,肯定無法進入工作狀態,那么其他觸摸鍵也就必然失效,所以在檢修時,要首先檢修開機鍵。如果代 換后正常,就對檢測電路進行詳查,特別是電路中的小瓷片電容,最好用同規格的元件進行更換,不然容易引起觸摸靈敏度降低的故障。
【提示】利用其他觸摸鍵的檢測電路代換開機觸摸鍵,可以達到快速判斷故障部位的目的。
第四步:調整
若去掉面板觸摸彈簧能正常反應,這并不能說明裝入面板后也能正常工作,這是因為裝入面板后,觸摸靈敏度將下降很多。此時,首先可以將彈簧適當拉長一點,讓彈簧盤能可靠地貼在面板上,但要注意彈簧鍵在面板上的貼合位置是否準確,最后再進行試驗。
【提示】各款電磁爐觸摸控制電路的檢修方式與此大同小異,其檢修的關鍵測試點就是各個IC的工作電源;電磁爐觸摸控制電路的核心是500kHz左右的高頻信號,只有在工作條件具各的前提下,觸摸控制電路才可能正常工作。
2.應急處理
在實際檢修過程中,有時會遇到查出故障元件后,卻沒有配件更換的尷尬處境。這時在征求用戶同意的前提下,可在其他位置安裝輕觸鍵以達到應急處理的目的,下面舉例說明。
例:一臺三星觸摸屏電磁爐,故障為指示燈亮,觸摸開機鍵不起作用,整機不能進入工作狀態。
分析檢修:拆開機殼取出觸摸電路板,發現電路板很臟,用香蕉水仔細清洗并烘干后,直接觸摸開機彈簧鍵,電磁爐能進人工作狀態。認為已經修復,于是將整機裝好,等到用戶來取機時,卻發現又不能開機。再次取出觸摸板,直接觸摸開機觸摸彈簧仍不能開機。測量500kHz的振蕩信號正常,開機觸摸彈簧處的電壓也能隨觸摸而降低。查看電路后發現,開機鍵的檢測電路是接到LM393的⑥腳,然后從LM393的⑦腳輸出送給主板上的CPU.測量LM393的⑥腳電壓能變化,而⑦腳的電壓卻不能變化s直接用鑷子將LM393的⑦腳對地短路一下,電磁爐立刻能正常王作,試驗各個功能鍵都能“一觸即發”,說明該LM393電路工作失常。
觀察發現LM393各腳間有些霉變痕跡,于是拆下LM393,清洗并烘干后,裝機又能正常工作,但冷機2小時后故障重現。仔細分析檢修過程,懷疑LM393相關電路性能不良。于是在冷機狀態下,用熱風槍直接加熱LM393,然后開機又恢復正常,冷機后故障再次復發。
仔細檢查并代換LM393外圍的所有元件,沒有發現問題,只能懷疑是LM393性能變壞,或者LM393部位的電路板漏電。由于手頭暫無LM393,而用戶又等著使用,只能考慮應急維修。
從上述檢修過程分析,既然直接對地短接LM393的⑦腳,電磁爐均能正??刂?,能否外加一只輕觸鍵來代替開機觸摸鍵呢?在征求用戶同意的情況下,在電磁爐正前方的底部鉆一個小孔,將一只輕觸鍵 的手柄從該孔中伸出,并妥善固定好該輕觸鍵后,再用一只100Ω的電阻與輕觸鍵串聯,然后用導線接在LM393的⑦腳與地之間,開機時不用面板上的開/關機鍵,而用這個新加的輕觸鍵,多次試驗使用 一切正常。
【提示】
1.一般不提倡改變電路結構和外殼的辦法來進行維修,但是沒有配件的情況下,若能通過簡單的電路改動使損壞的電器起死回生,這也是一種很好的權宜之計。
2.不同的觸摸控制電路,其改動部位和方法是不同的,這需要先搞懂電路原理,然后對癥下藥。
大家好,今天南山電子來給大家介紹一款利用 汽車抬頭顯示技術 用于HUD 平視顯示器 的控制芯片: S2D13V40。HUD 的全稱是Head Up Display,即 平視顯示器 ,以前...
今天給大家介紹適用于便攜式無線傳輸設備的3225無源晶振:TSX-3225。說到3225無源晶振,那么就不得不提下TSX-3225,ESPON的TSX-3225產品已經非常成熟,...
南山電子2021年放假時間安排: (1) 2 月 9 日至 2 月 18 日放假,共計 10 天。2月19日開始正常上班。 (2) 2 月 18 日(年初七)安排部分業務、跟單、庫房人員值...
尊敬的各位新老客戶、合作伙伴: 南山電子深圳運營中心經過十五年的穩健發展,原辦公地點已不能滿足公司發展需要。 自2021年2月1日起,正式喬遷至國...
總機:025-52188228(10線)
傳真:025-84710486
直線:025-84712762,84712745,84710496
E-MAIL:NJ@nscn.com.cn
網址:http://m.gshzhusha.com
南京:秦淮區洪武路26號天豐大廈11層
深圳:福田區中航路都會電子大廈B座22層
杭州:杭州市西湖區瑞博國際科技大廈B座
上海:浦東新區德州路214號
香港:永樂街177號永德商業中心12樓9-10A室
