一 直流穩壓電源功能
直流穩壓電路,是將交流電變壓,整流,濾波,穩壓的過程。在介紹這個電路之前,先簡單說下主要用到的元器件。
1
電阻
電阻的作用是阻礙線路上電流的流動,可以用作分壓,負載等用途。
2
電容
電容的特點是只有在充電時,電流才能從它上面流過。所以直流電無法通過。而交流電是隨著時間改變著大小和方向,
電容器連接在交流電源上,電容器就會連續的充電和放電,所以電路中就會流過與交流電變化一致的充電放電電流。
3 電感
電感能將電能轉變為磁能,并能在磁場中儲存能量。電感的特性與電容相反,它阻交流同直流。
4
二極管
二極管具有單向導電性,在正向電壓作用下導通阻值很小,反向電壓作用下,電阻極大。
5
變壓器
利用電磁感應的原理來改變交流電壓的裝置,用作升降電壓,匹配阻抗等。
二 直流穩壓電源的電路構成
2.1變壓
將正弦工頻交流電壓轉變為符合用電設備所需要的正弦工頻交流電壓
2.2 整流電路
利用二極管單向導通的特性,可以做成整流電路。
(1)半波整流

交流電壓u1經過變壓器變壓為u2。當交流電壓在正半周時,VD受到正向電壓作用導通,電流經過負載RL產生輸出電壓u0。在交流電壓負半周時,VD受到反向電壓作用不能導通,RL上無輸出電壓,這樣就將交流電的波形就變為下圖所示。
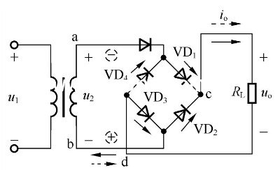
(2) 橋式整流
橋式整流克服了半波整流波形不連續的缺點,由四個二極管構成電橋。如下圖

在交流電壓正半周時,VD1導通,VD3導通。所以電流從a點經VD1再到c點,流過負載Rl,通過VD3流回b。而在電壓負半周時,VD2與VD4導通,電流從b點流經VD2,經過c點,流過負載,通過VD4流回a點。這樣無論輸入端在正半周還是負半周,輸出端都是單一的方向。如下圖
三 濾波電路
經過整流電路處理的電壓波形仍然波動較大,并不是我們所希望的直流波形。所以我們要對其進行濾波處理,過濾其中的脈動部分,盡量減小輸出電壓中交流的分量,使波形平滑。
我們要利用電容與電感的特性達到濾波的目的。
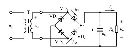
3.1 電容濾波
適用負載電流較小的場合

在t=0時刻,假設橋式整流電路能在這個瞬間導通,電流經過橋式電路,在為電容C充電的同時,流過負載RL。在u2達到最大值,下圖中的a點,u2下降,當uc>u2時,VD1,VD3反向截止,此時C向負載RL放電,直到下個周期當u2上升,到達b點的時刻,u2>uc,V2與V4導通,u2再次向電容C充電,負載上的輸出增大。從波形圖上看,波形的波紋顯著平滑了。波形圖如下

3.2 電感濾波
適用于負載電流較大的場合
電感直流阻抗小,但交流阻抗很大。利用這一特性,我們可以將整流后波形中的交流部分濾除,從而達到使波形平滑的目的。
3.3 LC濾波電路
我們在電感濾波電路負載RL上并聯一個電容C以增加濾波效果,可以使我們得到較大輸出電流的同時減小電壓波動。
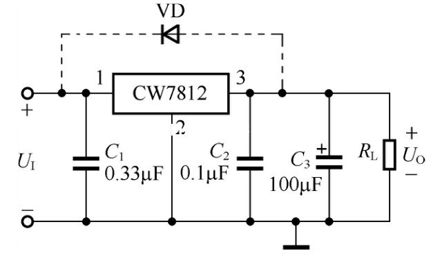
四 穩壓電路
可以采用集成三端式
穩壓器,集成穩壓器具有輸出電流大,輸出電壓高,體積小,可靠性高等優點。其中78XX為固定電壓、正電壓輸出。79XX為固定電壓、負電壓輸出。
基本應用電路如下圖。